Trailer Abs Wiring Diagram

Trailer Abs Wiring Diagram

Trailer Abs Wiring Diagram

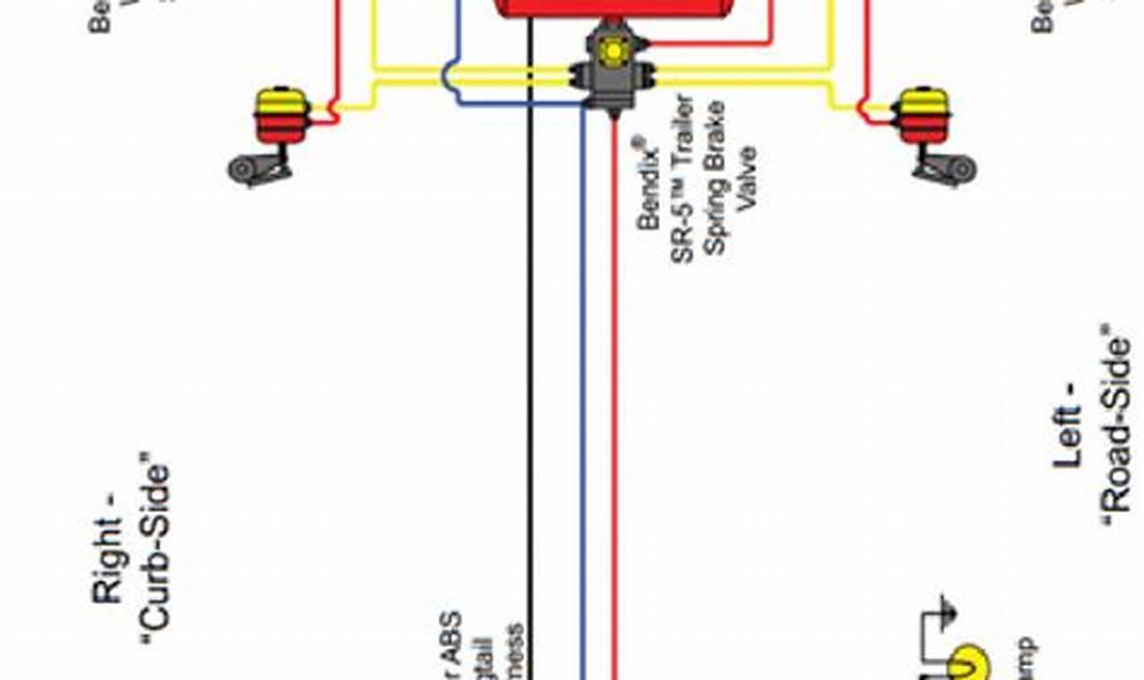
The trailer ABS wiring diagram is the cornerstone for understanding and maintaining the anti-lock braking system (ABS) on your trailer. ABS is a critical safety feature designed to prevent wheel lockup during sudden braking, which allows the driver to maintain steering control and reduces the risk of skidding, especially in adverse weather conditions. A properly functioning ABS system ensures safer towing and protects both the trailer’s cargo and the vehicles around it. Ignoring the ABS system can have serious consequences, potentially leading to accidents and costly repairs. Therefore, a solid understanding of the wiring involved is paramount for responsible trailer ownership and operation.

Images References :

Leave a Comment

Your email address will not be published. Required fields are marked *

Scroll to Top