The ability to effectively interpret a schematic kubota wiring diagram PDF is paramount for anyone involved in the maintenance, repair, or modification of Kubota equipment. A detailed understanding of these diagrams ensures accurate electrical system diagnostics and facilitates safe and efficient repairs, preventing potential damage to the equipment and personal injury. Proper utilization of wiring diagrams is fundamental for maintaining operational integrity and longevity of Kubota machinery.
Mastering the schematic kubota wiring diagram PDF offers several crucial benefits. Precise troubleshooting becomes attainable, minimizing downtime and associated costs. The diagram allows for accurate identification of faulty components, enabling targeted repairs instead of broad, inefficient replacements. Furthermore, understanding these diagrams ensures adherence to Kubota’s specific electrical specifications, preventing compatibility issues that can arise from incorrect wiring or component installation. By using the diagram, technicians can significantly reduce the risk of electrical fires or other safety hazards associated with improper modifications or repairs. This knowledge ultimately leads to improved efficiency, cost savings, and enhanced safety for both the operator and the equipment.
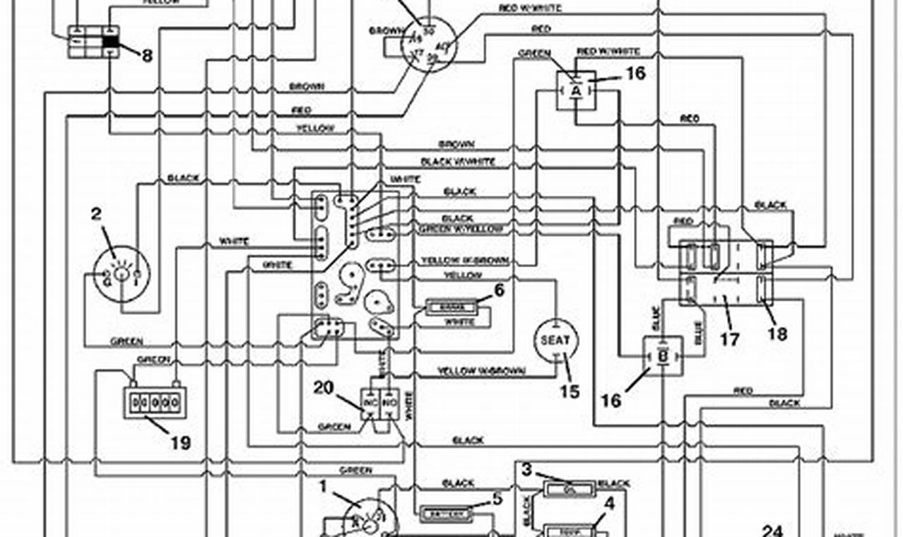
A typical schematic kubota wiring diagram PDF comprises several key elements. Symbols represent electrical components such as switches, relays, solenoids, and sensors. Wire color codes, standardized within Kubota’s specifications, indicate the function and routing of each wire. Connection points, often marked with specific terminal numbers or alphanumeric codes, detail where wires connect to components or other wires. Critical features also include symbols for fuses, circuit breakers, and grounding points, essential for ensuring proper circuit protection and preventing electrical hazards. The diagram also specifies the voltage and current ratings for various circuits, crucial information for selecting appropriate replacement parts and conducting accurate electrical tests.
To interpret and utilize the schematic kubota wiring diagram PDF effectively, adopt a systematic approach. Begin by identifying the specific circuit of interest, for example, the starting circuit or the lighting system. Trace the circuit path, following the wire color codes and connection points from the power source (typically the battery) through each component and back to ground. Pay close attention to any switches, relays, or sensors in the circuit, as these are often points of failure. Double-check the voltage and current ratings of components before replacement to ensure compatibility. When troubleshooting, use a multimeter to verify voltage, continuity, and resistance at various points in the circuit, comparing the readings to the expected values indicated in the diagram. Always disconnect the battery before performing any electrical work to prevent short circuits or electrical shock.
To enhance understanding and accuracy when working with the schematic kubota wiring diagram PDF, consider using complementary resources. Consult Kubota’s official technical manuals for detailed component specifications, testing procedures, and troubleshooting guides. Utilize a high-quality multimeter capable of measuring voltage, current, resistance, and continuity. A circuit tester is also beneficial for quickly checking for power at various points in the circuit. Complementary diagrams, such as component layout diagrams, can help locate physical components on the equipment. Furthermore, familiarizing oneself with general electrical theory and basic troubleshooting techniques will significantly improve the ability to interpret and apply wiring diagrams effectively.
In conclusion, mastering the interpretation and application of a schematic kubota wiring diagram PDF is an invaluable skill for anyone working with Kubota equipment. The benefits extend from preventing costly mistakes and ensuring safety compliance to improving diagnostic capabilities and repair efficiency. By continually exploring more diagrams and technical resources, and by practicing the techniques outlined, individuals can significantly enhance their electrical knowledge, boost their troubleshooting confidence, and ensure the reliable operation of Kubota machinery.
