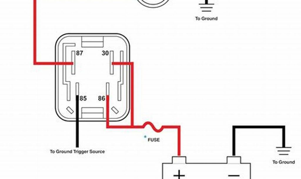
Motorcycle 2 Pin Flasher Relay Wiring Diagram
Understanding the motorcycle 2 pin flasher relay wiring diagram is crucial for anyone working on a motorcycle’s electrical system, especially […]
Understanding the motorcycle 2 pin flasher relay wiring diagram is crucial for anyone working on a motorcycle’s electrical system, especially […]
The Honeywell Round thermostat, an iconic and enduring design, has been a staple in homes for decades. Its simplicity and
When towing a trailer equipped with brakes, a reliable electrical connection is absolutely essential. This connection powers not only the
The Turbo 400 transmission, a robust and reliable automatic transmission, has been a staple in performance vehicles for decades. Integral
Ensuring the safe operation of a trailer involves more than just hitching it to your vehicle. A crucial component often
Towing with your 2014 Toyota Tundra opens up a world of possibilities, from hauling equipment for work to taking your
Understanding a Denso relay 4 pin wiring diagram is crucial for anyone working with automotive or electronic systems. A relay,
Understanding the 2015 Honda CRV radio wiring diagram is essential for anyone looking to upgrade their sound system, troubleshoot audio
The ability to interpret a schematic briggs and stratton ignition coil wiring diagram is critical for the safe and efficient