Understanding the layout and connections within a vehicle’s electrical system is crucial for effective maintenance and repair. Mastery of these visual representations significantly enhances practical electrical skills and promotes overall safety by allowing technicians and enthusiasts alike to accurately diagnose and resolve electrical issues.
Grasping the principles behind these electrical layouts provides numerous benefits. It allows for precise troubleshooting of electrical faults, facilitates safer installations of aftermarket components, and enables confident planning of complex wiring projects. This knowledge translates to significant time and cost savings by minimizing guesswork and reducing the risk of damage to the vehicle’s sensitive electronic systems.
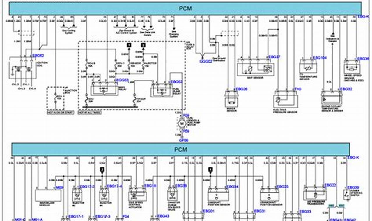
The foundational elements of these diagrams include standardized symbols representing various components such as fuses, relays, switches, sensors, and electronic control units. Lines illustrate the wiring harnesses connecting these components, with different line styles often indicating wire gauge, color, or function. The diagram’s structure typically follows a logical flow, tracing the electrical path from the power source (battery) through the circuits and back to ground.
Effective interpretation begins with identifying the specific system or component of interest within the overall electrical schematic. Trace the circuit path from the power source, noting each component and connection along the way. Pay close attention to the wire colors and gauge markings, as these are critical for verifying correct wiring during repairs. Cross-reference the diagram with the vehicle’s physical wiring to confirm connections and identify potential discrepancies. Utilize a multimeter to test voltage, continuity, and resistance at various points in the circuit to pinpoint faults accurately.
For enhanced comprehension, consider practicing with sample diagrams and real-world troubleshooting scenarios. Familiarize oneself with common electrical symbols and abbreviations specific to automotive applications. Consult specialized resources like manufacturer service manuals and online forums dedicated to vehicle-specific electrical issues. Employ diagnostic tools such as circuit testers and oscilloscopes to gain a deeper understanding of circuit behavior. Always prioritize safety by disconnecting the battery before working on any electrical system and adhering to proper grounding procedures.
In summary, a solid understanding of vehicle electrical layouts is indispensable for anyone involved in automotive maintenance, repair, or customization. Mastering these documents empowers individuals to diagnose and resolve electrical issues efficiently, safely, and effectively. Further exploration of related resources and diagrams, like those available on readwires.com, will contribute to continuous improvement and increased expertise in automotive electrical systems.
