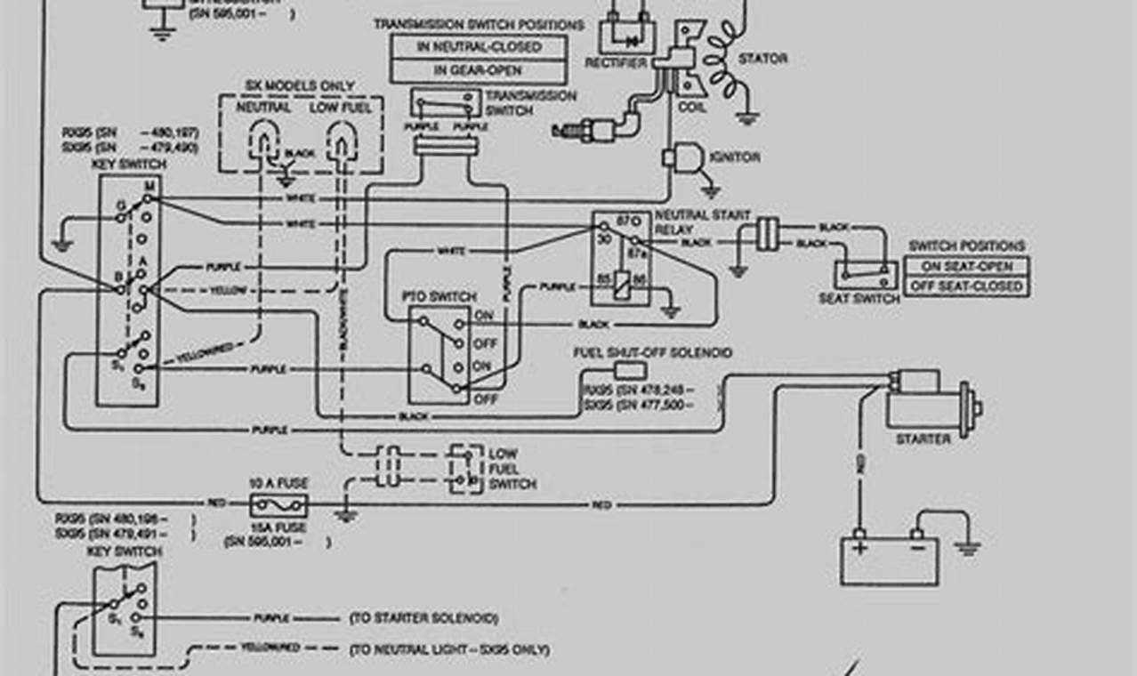
Electrical systems are the lifeblood of modern machinery, including lawn and garden equipment. A thorough grasp of the electrical pathways within such machines is essential for effective maintenance, troubleshooting, and repair. Understanding the layout and connections is key to ensuring the reliable operation of the equipment and preventing potential electrical hazards. Mastering the ability to interpret the visual representation of these circuits enhances practical electrical skills and promotes overall safety when working with electrical components.
The capability to accurately read and comprehend a schematic of this type unlocks several key advantages. It empowers individuals to diagnose electrical malfunctions with greater efficiency, reducing downtime and repair costs. Safe and proper installation of electrical components becomes more achievable, minimizing the risk of damage or injury. Furthermore, a comprehensive understanding of the electrical system facilitates informed planning and execution of modifications or upgrades, ensuring compatibility and preventing unforeseen complications.
A typical schematic illustrates the complete electrical system. It consists of lines representing wires, interconnected at junctions or connected to various components. These components are depicted using standardized symbols. Common symbols include those for batteries, switches, fuses, relays, motors, and lights. The diagram traces the path of electrical current through the various circuits, indicating voltage levels, wire gauges, and component ratings. A legend or key is often included to identify the specific meaning of each symbol used in the representation.
To effectively interpret and utilize this visual aid, begin by identifying the main power source, typically the battery. Trace the flow of current from the battery through the various circuits, following the lines representing wires. Pay close attention to the symbols, identifying each component and its function within the circuit. Use a multimeter to verify voltage and continuity at various points in the circuit, comparing readings to the schematic to identify potential faults. When performing electrical repairs, always disconnect the battery to prevent accidental shorts or shocks. Refer back to the schematic frequently throughout the process to ensure accurate connections and prevent wiring errors.
For optimal comprehension and application, consider utilizing color-coded wiring diagrams when available, as they visually differentiate between various circuits. Document all modifications or repairs made to the electrical system, updating the schematic if necessary. Consult manufacturer service manuals for additional information and troubleshooting procedures. Explore online forums and communities dedicated to lawn and garden equipment maintenance for valuable insights and shared experiences. Supplement your learning with resources like electrical theory textbooks and online tutorials covering fundamental electrical principles.
Proficiency in interpreting a schematic of this kind is crucial for anyone involved in the maintenance, repair, or modification of the specified equipment. It provides a roadmap to the electrical system, enabling efficient troubleshooting, safe repairs, and informed decision-making. Continual learning and practical application will solidify your understanding and enhance your skills in this area. Explore further examples and practice interpreting different types of electrical schematics at readwires.com to continue expanding your knowledge and capabilities.
