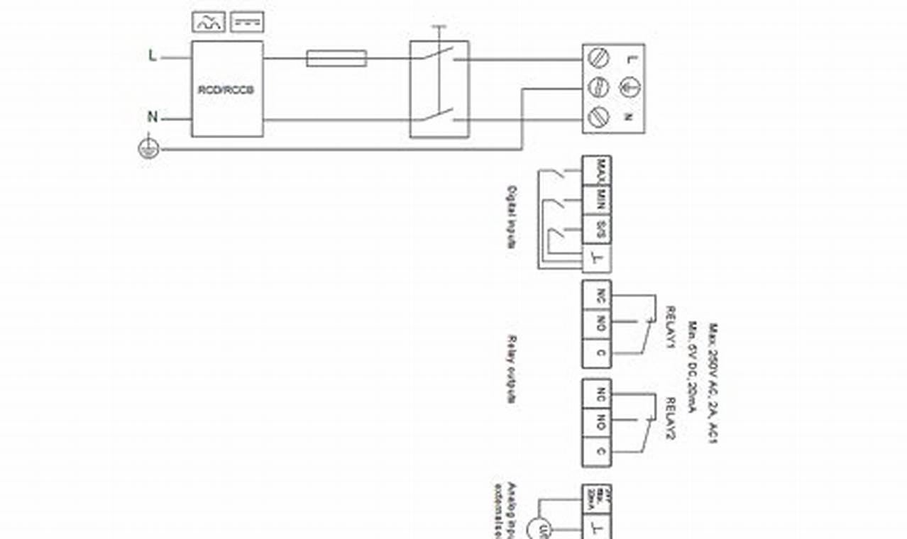
The correct wiring of a Grundfos pump is essential for its safe and efficient operation. A miswired pump can lead to reduced performance, damage to the pump itself, or even pose a safety hazard. Therefore, understanding and correctly interpreting the grundfos pump wiring diagram is crucial for anyone involved in the installation, maintenance, or repair of these pumps. This article will provide a comprehensive overview of what a Grundfos pump wiring diagram entails, why it’s important, and how to effectively utilize it.
