Kubota Wiring: Schematic Kubota Wiring Diagram PDF Guide
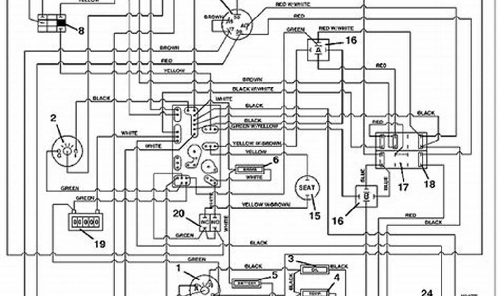
The ability to effectively interpret a schematic kubota wiring diagram PDF is paramount for anyone involved in the maintenance, repair, […]
The ability to effectively interpret a schematic kubota wiring diagram PDF is paramount for anyone involved in the maintenance, repair, […]
Understanding the schematic 3 wire hot tub wiring diagram is crucial for ensuring safe and efficient electrical connections in hot
The ability to accurately interpret a schematic Yamaha outboard wiring harness diagram is paramount for the safe and effective maintenance
The schematic johnson outboard wiring diagram pdf serves as a critical resource for understanding the electrical systems within Johnson outboard
Understanding the schematic hoverboard wiring diagram is crucial for anyone involved in the repair, modification, or even safe operation of
The Craftsman garage door opener is a ubiquitous piece of home automation technology, and its safe and reliable operation hinges
Understanding wiring diagram basics is fundamental for anyone working with electrical systems. These diagrams act as roadmaps, guiding safe and
Understanding the “schematic mars 10587 wiring diagram” is paramount for anyone working with electrical systems or components related to the
Understanding 12 volt wiring diagram symbols is paramount for anyone working with low-voltage electrical systems. Whether for automotive applications, marine