Plow Lights Wiring Diagram
When winter arrives, a reliable snow plow is essential for keeping roads and driveways clear. A critical, often overlooked, component […]
When winter arrives, a reliable snow plow is essential for keeping roads and driveways clear. A critical, often overlooked, component […]
The Harley Davidson ignition switch wiring diagram is an essential document for anyone working on or customizing these iconic motorcycles.
Understanding a trim tab switch wiring diagram is essential for anyone involved in boat maintenance or repair. The trim tabs
Understanding the dodge ram headlight wiring diagram is crucial for anyone working on the electrical system of these trucks, from
Understanding a 3 wire LED light wiring diagram is crucial for anyone working with modern lighting systems. These diagrams act
The EZGO TXT ignition switch wiring diagram is an essential document for anyone working on or maintaining an EZGO TXT
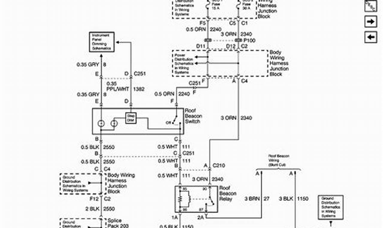
The tail lights on your Chevrolet are essential for safety, alerting other drivers to your presence, braking, and intentions to
Electrical wiring can seem intimidating, especially when dealing with more complex setups like double switches. However, understanding the basics and
The 3 wire breakaway switch is a crucial safety component in trailers equipped with electric brakes. Its primary function is