2003 Chevy Silverado Ignition Switch Wiring Diagram
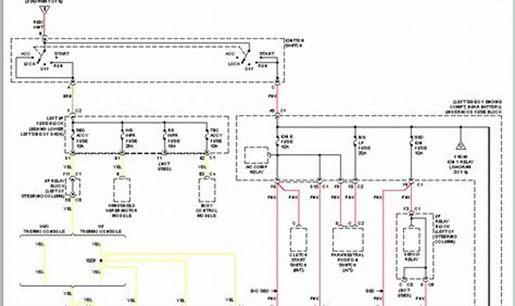
The 2003 Chevy Silverado ignition switch wiring diagram is an essential resource for anyone working on the electrical system of […]
The 2003 Chevy Silverado ignition switch wiring diagram is an essential resource for anyone working on the electrical system of […]
When working with strobe lights, especially in applications like emergency vehicles, stage lighting, or industrial machinery, understanding the 3 wire
When working with electrical circuits, understanding how to properly connect components is crucial for safety and functionality. One component that
When dealing with home heating and cooling systems, understanding the wiring of your thermostat is crucial. A key component in
Electrical wiring is the backbone of any functional building, and understanding how it works is essential for both safety and
A Honeywell 6 wire thermostat wiring diagram is your essential guide when installing or troubleshooting a modern HVAC system. These
Wiring 3-way switches is a common task in home electrical projects, allowing you to control a light fixture from two
The indak blower switch wiring diagram is the schematic roadmap for connecting and troubleshooting the blower switch in various applications,
The 4L80E transmission, a heavy-duty automatic transmission commonly found in GM trucks and vans, relies on a crucial component known