Ford Aod Neutral Safety Switch Wiring Diagram
The ford aod neutral safety switch wiring diagram is an essential resource for anyone working on the automatic overdrive (AOD) […]
The ford aod neutral safety switch wiring diagram is an essential resource for anyone working on the automatic overdrive (AOD) […]
The Johnson outboard ignition switch wiring diagram is an essential resource for anyone maintaining or repairing a Johnson or Evinrude
Understanding the intricacies of home electrical systems can feel daunting, but mastering basic wiring tasks, like installing a single-pole light
Understanding the Leviton Decora 3-way switch wiring diagram is crucial for anyone undertaking electrical projects involving controlling a light fixture
The Ford wiper switch wiring diagram is an essential resource for anyone working on the electrical system of a Ford
Understanding the wiring of an old doorbell system can seem daunting, but with the right approach and a clear understanding
Illuminating spaces with LED lights powered by a 12V battery is a common and versatile solution for various applications, from
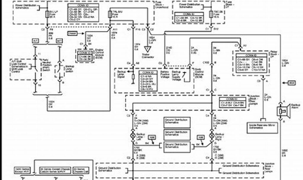
The 2006 Chevy Silverado tail light wiring diagram is an essential tool for any owner looking to diagnose or repair
Understanding the “led stop/turn/tail light wiring diagram” is crucial for anyone working on vehicle lighting, whether you’re a seasoned mechanic