Yamaha 48v Golf Cart Wiring Diagram
A Yamaha 48v golf cart is a complex machine, and at the heart of its operation lies its electrical system. […]
A Yamaha 48v golf cart is a complex machine, and at the heart of its operation lies its electrical system. […]
A microwave oven, a staple appliance in many homes, relies on a complex network of electrical components working in harmony.
Maintaining the electrical system on your Crestliner boat is crucial for safe and reliable operation. A key tool in this
A 6v ride on car wiring diagram is a crucial blueprint for understanding and maintaining the electrical system of these
The ability to decipher wiring diagrams is fundamental to electrical work, impacting safety, efficiency, and the integrity of electrical installations
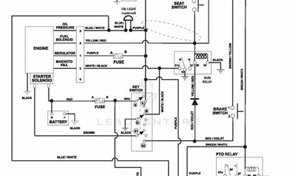
The Yamaha G1 golf cart, a classic model, often requires maintenance and troubleshooting to keep it running smoothly. A crucial
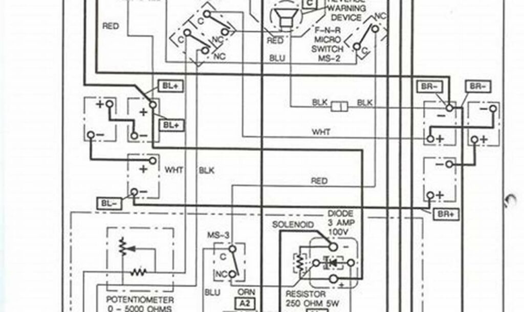
Understanding the 36 volt EZGO golf cart wiring diagram is essential for anyone who owns, maintains, or repairs these popular
A race car’s electrical system is its nervous system, controlling everything from the ignition and fuel delivery to the data