Pontoon Boat Wiring Diagram
Electrical wiring in a pontoon boat is the backbone of its operation, powering everything from the navigation lights and the […]
Electrical wiring in a pontoon boat is the backbone of its operation, powering everything from the navigation lights and the […]
Understanding the air compressor wiring diagram 230v 1 phase is crucial for anyone who owns, operates, or maintains air compressors.
The electrical system in an Evolution golf cart is crucial for its operation, powering everything from the motor to the
The electrical system is the circulatory system of a motorcycle, powering everything from the ignition to the lights and instruments.
Understanding the intricate electrical layouts of various components is a fundamental skill in electrical work, and delving into the electrical
Maintaining a 36-volt Club Car golf cart requires a basic understanding of its electrical system. At the heart of this
Understanding the electrical connections within mechanical equipment is paramount for safe operation and effective maintenance. A clear grasp of these
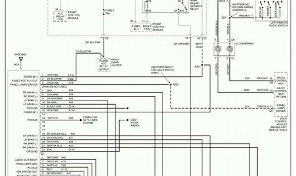
Understanding the 2012 Dodge Grand Caravan stereo wiring diagram is crucial for anyone looking to upgrade their sound system, troubleshoot
The 2004 Club Car wiring diagram is an essential tool for anyone maintaining or repairing a Club Car golf cart