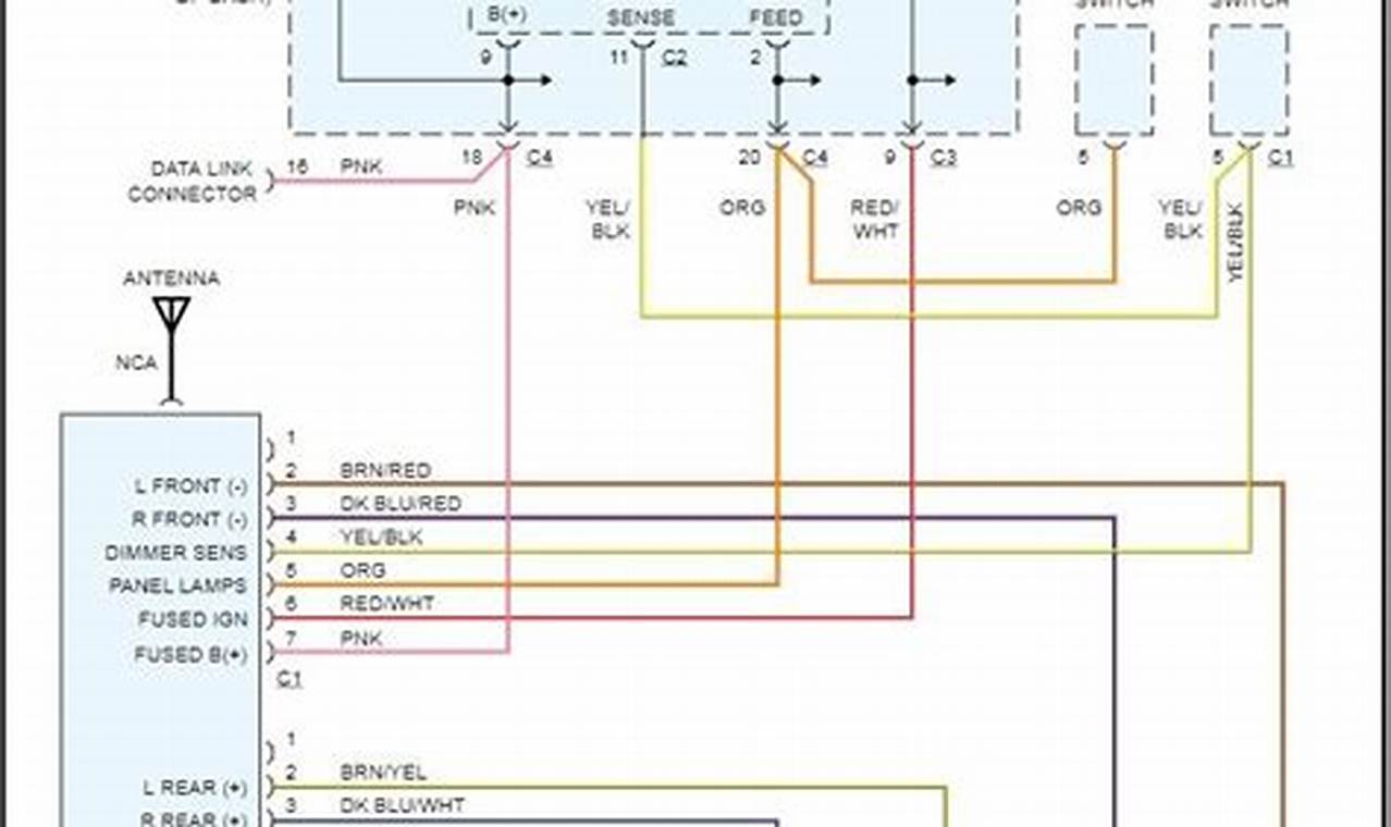
2008 Dodge Grand Caravan Radio Wiring Diagram

2008 Dodge Grand Caravan Radio Wiring Diagram

2008 Dodge Grand Caravan Radio Wiring Diagram

The 2008 Dodge Grand Caravan, a popular minivan, relies on a complex electrical system, and the radio is a key component of the entertainment experience. Understanding the “2008 Dodge Grand Caravan radio wiring diagram” is essential for anyone undertaking radio repair, replacement, or upgrades. The wiring diagram acts as a roadmap, illustrating how the radio connects to the vehicle’s electrical system. This article will explain the importance of the radio wiring diagram, how to read it, and provide valuable tips for working with your minivan’s radio wiring.

Images References :

Leave a Comment

Your email address will not be published. Required fields are marked *

Scroll to Top