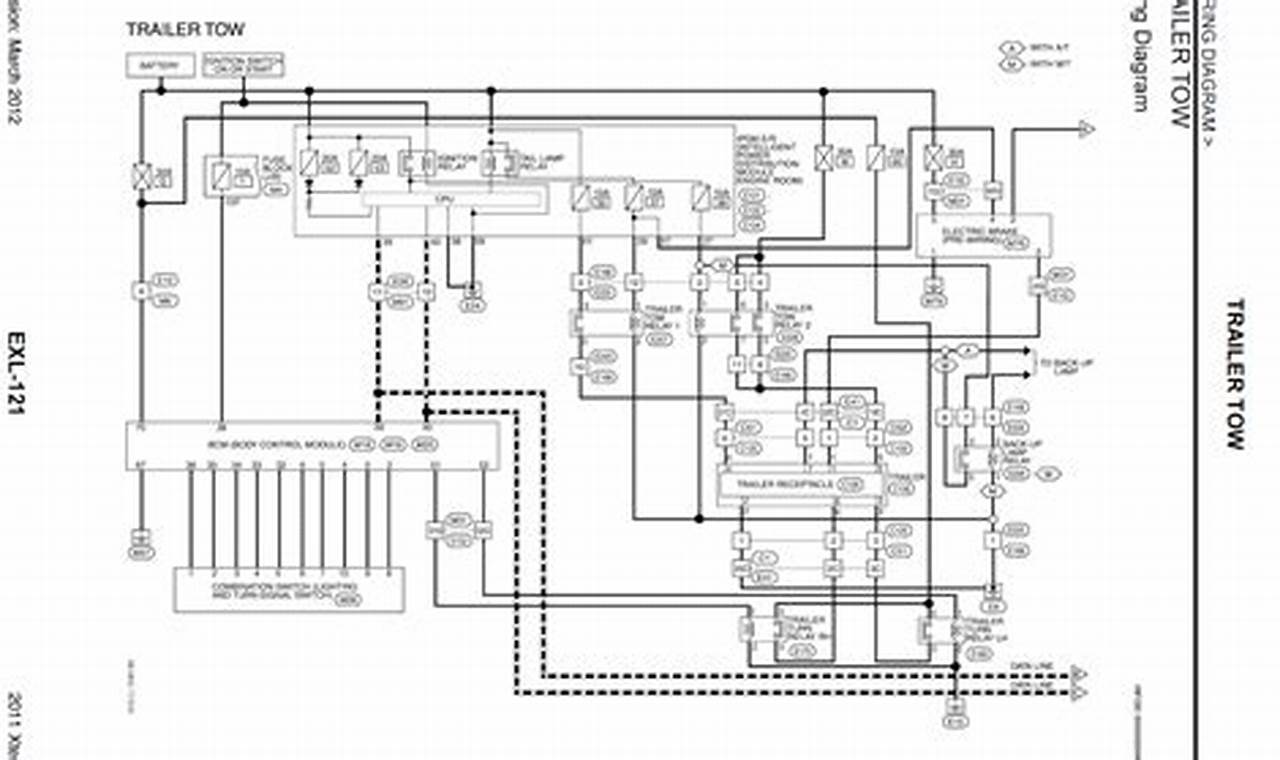
Towing a trailer with your 2007 Nissan Frontier opens up a world of possibilities, from hauling equipment for work to taking your boat out for a weekend adventure. However, safely and reliably connecting your trailer’s electrical system to your truck requires proper wiring. A “2007 Nissan Frontier trailer wiring diagram” is your essential guide to achieving this, ensuring your trailer lights, brakes (if equipped), and other electrical components function correctly and safely.
