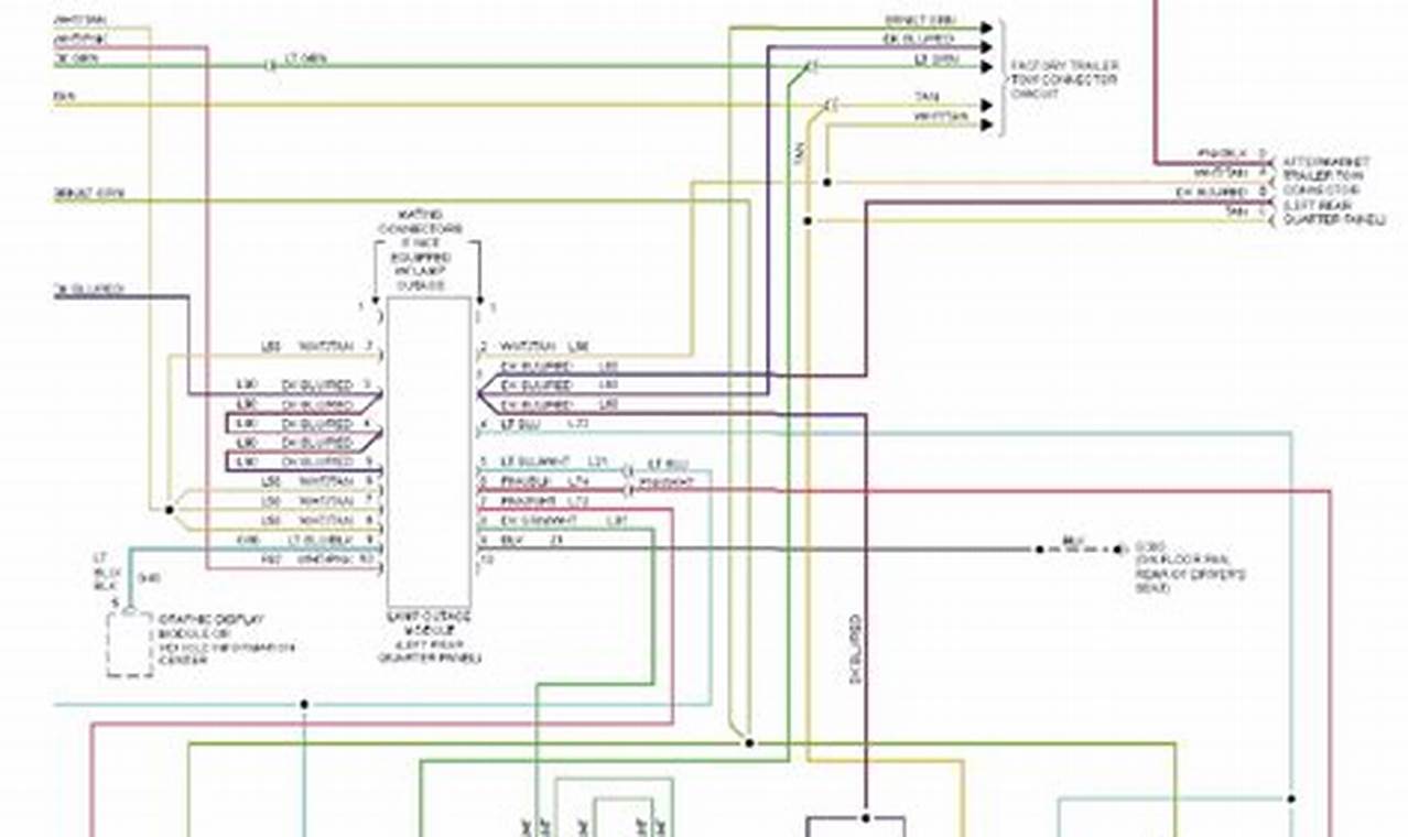
2006 Jeep Grand Cherokee Trailer Wiring Diagram

2006 Jeep Grand Cherokee Trailer Wiring Diagram

2006 Jeep Grand Cherokee Trailer Wiring Diagram

Towing with your 2006 Jeep Grand Cherokee opens up a world of possibilities, from hauling recreational equipment to assisting with home improvement projects. However, safely towing requires a properly functioning trailer wiring system. The 2006 Jeep Grand Cherokee trailer wiring diagram is a crucial document that outlines the connections between your vehicle’s electrical system and the trailer’s lights. Understanding and utilizing this diagram is essential for ensuring that your trailer lights brake lights, turn signals, and running lights operate correctly, minimizing the risk of accidents and legal issues.

Images References :

Leave a Comment

Your email address will not be published. Required fields are marked *

Scroll to Top