2006 Honda Crv Headlight Wiring Diagram

2006 Honda Crv Headlight Wiring Diagram

2006 Honda Crv Headlight Wiring Diagram

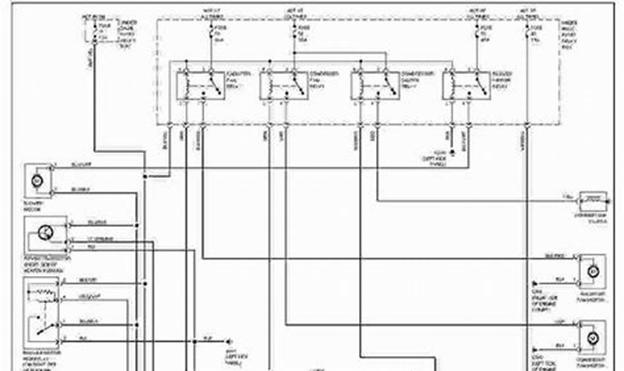
The 2006 Honda CRV headlight wiring diagram is an essential tool for anyone working on the vehicle’s lighting system. It serves as a roadmap, illustrating how the various components of the headlight circuit are connected. Understanding this diagram can save time, prevent errors, and ensure the correct functioning of your headlights, which are crucial for safe driving, especially at night or in adverse weather conditions. Without a properly functioning headlight system, visibility is drastically reduced, potentially leading to accidents. Therefore, having access to and understanding the wiring diagram is paramount for maintenance and repair.

Images References :

Leave a Comment

Your email address will not be published. Required fields are marked *

Scroll to Top