Understanding the electrical system of a vehicle, particularly its intricate wiring, is paramount for effective troubleshooting and repair. A systematic approach to deciphering the visual representation of these circuits provides invaluable insights into the vehicle’s operational integrity, enhancing practical electrical skills and overall safety when working with automotive electrical systems.
Mastering the interpretation of the specific schematic representation unlocks numerous benefits. It facilitates accurate identification of circuit faults, enables safe and efficient installation of electrical components, and empowers individuals to confidently plan and execute custom electrical modifications. Such comprehension minimizes the risk of electrical damage, promotes cost-effective maintenance, and ensures optimal vehicle performance.
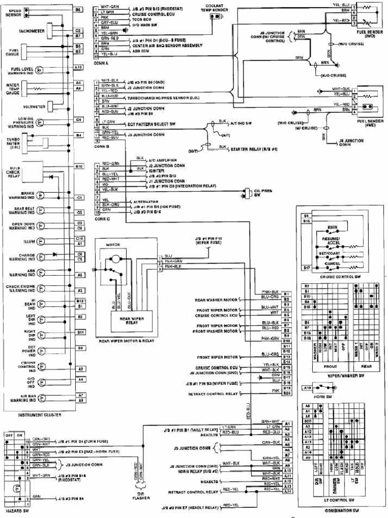
The schematic typically comprises a network of lines, symbols, and labels that illustrate the connections between various electrical components. Standardized symbols represent elements such as fuses, relays, switches, and sensors. Lines depict wires, with different colors often indicating different circuits or functions. Component names and numbers are included to facilitate identification and location within the vehicle.
To effectively utilize the resource, begin by identifying the relevant circuit. Trace the circuit from its power source, such as the battery, through each component to its ground. Pay close attention to the wire colors, which can help distinguish circuits. Use a multimeter to verify voltage and continuity, comparing readings to the schematic to pinpoint discrepancies. Consult the vehicle’s repair manual for specific testing procedures and component locations.
For successful diagnostic and repair endeavors, it’s advisable to cross-reference several sources of information. Component location guides and connector views can supplement the schematic, providing a more comprehensive understanding of the system’s layout. Online forums and communities dedicated to this model can offer valuable insights from other enthusiasts. Investing in a quality multimeter and wire tracing tools can also significantly streamline the troubleshooting process.
Proficiency in reading and interpreting schematics is an indispensable skill for anyone working on automotive electrical systems. By understanding the structure, symbols, and methodology involved, individuals can confidently diagnose and repair electrical issues, ensuring the safe and reliable operation of the vehicle. Explore additional wiring resources and diagrams on readwires.com to further refine your expertise and broaden your understanding of automotive electrical systems.
Images References
Looking for more useful options?
Check out recommended resources that others find helpful.