Guide to 900 Schematic Signal Stat Wiring Diagram Basics
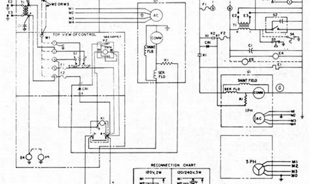
The “900 schematic signal stat 900 wiring diagram” serves as a crucial document for understanding the electrical circuitry within a […]
The “900 schematic signal stat 900 wiring diagram” serves as a crucial document for understanding the electrical circuitry within a […]
Understanding electrical wiring diagram symbols is fundamental for anyone involved in electrical work, whether a seasoned professional, a student, or
The ability to accurately interpret a wiring schematic, specifically the Polaris RZR 1000 wiring diagram, is paramount for safe and
Understanding the wiring diagram for an Onan generator, often referred to as the Onan generator wiring schematic, is paramount for
Understanding schematic Balboa spa wiring diagrams is paramount for anyone involved in the installation, maintenance, or repair of these popular
Understanding the schematic 5 pin power window switch wiring diagram is crucial for ensuring the safe and efficient operation of
The General Motors High Energy Ignition (GM HEI) distributor is a crucial component in many older vehicles, responsible for delivering
Understanding the nuances between a wiring diagram vs schematic is paramount for anyone involved in electrical work, from hobbyists to
The ability to interpret automotive wiring diagrams is essential for anyone involved in vehicle maintenance, repair, or modification. Ford vehicles,