Wiring Diagram For 7 Pin Trailer Lights
Towing a trailer safely and legally requires properly functioning trailer lights. At the heart of this system lies the wiring […]
Towing a trailer safely and legally requires properly functioning trailer lights. At the heart of this system lies the wiring […]
Towing a trailer opens up a world of possibilities, from hauling equipment for work to embarking on exciting camping adventures.
Towing a trailer with your Silverado Chevy can significantly expand its utility, whether for work or recreational activities. A critical
The electrical system of any vehicle, including the classic 1995 Corvette, is a complex network that relies on a vast
Understanding the proper wiring of a 20A 250V plug is essential for safety and ensuring the correct operation of high-powered
Towing with your 2015 Chevy Colorado can be a breeze, especially when you understand its trailer wiring system. The 2015
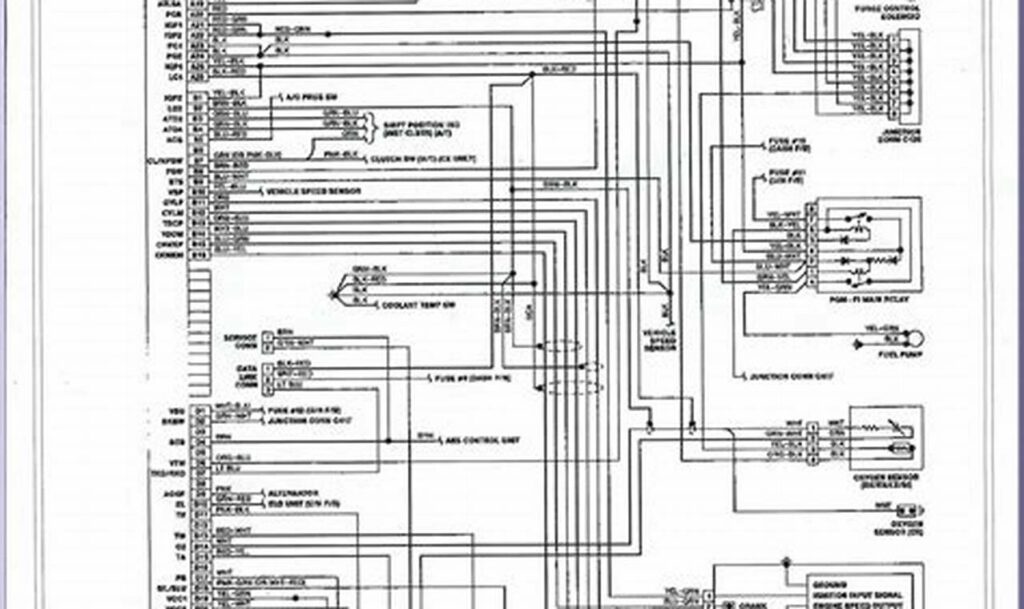
Electrical systems are the backbone of any modern vehicle, and the 2015 Honda CRV is no exception. These systems power
When dealing with high-voltage appliances like electric ranges, dryers, and some HVAC systems, a 4-prong 240v plug is often used.
A “wiring diagram for plug” is a visual representation detailing the internal connections within an electrical plug. Understanding these diagrams