Prestolite Alternator Wiring Diagram
A Prestolite alternator is a type of electrical generator commonly used in various applications, including automotive, industrial, and marine settings. […]
A Prestolite alternator is a type of electrical generator commonly used in various applications, including automotive, industrial, and marine settings. […]
A car horn is a critical safety device, and its reliable operation is paramount. Often, a simple electrical circuit directly
The denso 2 wire alternator wiring diagram is a crucial document for anyone working with automotive electrical systems, particularly when
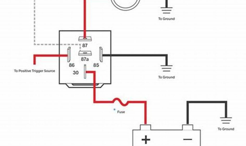
The Harley-Davidson starter relay is a critical component in the motorcycle’s electrical system, responsible for delivering high-current power to the
The fan center relay wiring diagram is an essential tool for anyone working with HVAC (Heating, Ventilation, and Air Conditioning)
The starter kill relay wiring diagram (noun phrase) is an essential resource for anyone looking to add a layer of
The alternator is a vital component in any vehicle’s electrical system, responsible for charging the battery and providing power to
The ford 6g alternator wiring diagram is an essential resource for anyone working on a Ford vehicle equipped with a
The Denso 4-wire alternator is a common component in many modern vehicles, playing a vital role in charging the battery