Honeywell Switching Relay Wiring Diagram
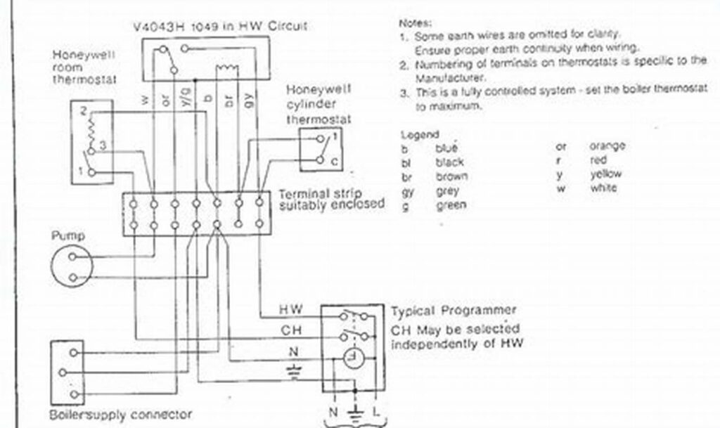
Honeywell switching relays are crucial components in various HVAC (Heating, Ventilation, and Air Conditioning) and automation systems. They act as […]
Honeywell switching relays are crucial components in various HVAC (Heating, Ventilation, and Air Conditioning) and automation systems. They act as […]
The term “DALI system DALI lighting control wiring diagram” refers to the blueprint for connecting and configuring a Digital Addressable
Christmas tree lights are a staple of the holiday season, bringing warmth and festive cheer to our homes. But behind
The ability to control lighting from multiple locations is a common and convenient feature in modern homes. A three-way switch
Electrical outlets are an indispensable part of modern life, powering everything from our lights and appliances to our computers and
Installing a Nest thermostat can significantly improve your home’s energy efficiency and comfort. However, before enjoying these benefits, proper wiring
A dim switch wiring diagram is essentially the roadmap for connecting a dimmer switch to your home’s electrical system. It’s
Understanding the wiring diagram for a light switch is essential for anyone undertaking electrical work, whether it’s a simple replacement
Understanding the wiring of a double light switch can seem daunting, but it’s a crucial skill for any homeowner undertaking