Common Thermostat Wiring Diagram
Thermostat wiring might seem intimidating, but understanding the basics is crucial for homeowners who want to upgrade their thermostat, troubleshoot […]
Thermostat wiring might seem intimidating, but understanding the basics is crucial for homeowners who want to upgrade their thermostat, troubleshoot […]
Understanding a simple light switch wiring diagram is a fundamental skill for anyone interested in basic electrical work around the
Understanding a 2 wire nest thermostat wiring diagram is crucial for anyone looking to install a Nest thermostat in a
Wiring a 3-pin illuminated rocker switch might seem daunting at first, but understanding the wiring diagram is key to a
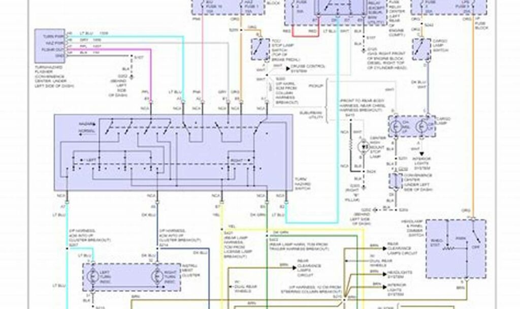
The 2004 Silverado tail light wiring diagram is an essential resource for anyone working on the electrical system of this
When setting up lighting in a room where you want control from two different locations, a 3-way switch system is
The term “simple flashlight taser wiring diagram” refers to a visual representation of the electrical connections needed to construct a
Wiring a light switch and outlet together is a common electrical task in homes, allowing you to control a light
Understanding a diagram of wiring a light fixture is essential for anyone undertaking electrical work, whether you’re a seasoned electrician